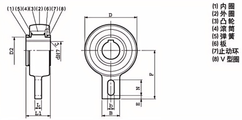
BSEU series Cam Clutch was developed as European style Backstopping Cam Clutch which has easy usage.
It has Cam & Roller construction that the roller works as a bearing same as the small size BS series Cam Clutch.
The outer race has special shape which was combined the torque arm, so only stopping the rotation is required.
You can select the correct model from various bore size from 20 mm to 90 mm in each 5 mm.
Backstopping for the country elevator or the foods conveying conveyor which is used in the factory is the recommendation.
BS series Cam Clutch in the very dusty environment condition or the inclined conveyor and the bucket elevator which are used in outside location.
The fundamental working principle of a one-way backstop clutch involves several key components:
Inner Race: The inner race is a cylindrical or annular component that is securely attached to a shaft or rotating element.
Outer Race: The outer race is another cylindrical or annular component that remains stationary or is attached to a stationary part of the machine.
Roller or Sprag: Between the inner and outer races are a series of roller or sprags. These elements are critical to the clutch's operation.

型号 Type | 孔径 Bore Size | 扭矩 容量Torque (N.m) | 内圈最大 空转速度 Max Overrunning (r/min) | D | D2 | L1 | L | B | F | b | N | E | J | |
Dia | 键槽Keyway | |||||||||||||
BSEU25-20 | 20 | 216 | 500 | 83 | 42 | 35 | 12 | 40 | 90 | 15 | 35 | 5 | 1.0 | |
BSEU25-25 | 25 | 8×3.3 | 216 | 500 | 83 | 42 | 35 | 12 | 40 | 90 | 15 | 35 | 5 | 1.0 |
BSEU40-20 | 20 | 6×2.8 | 1440 | 450 | 118 | 60 | 55 | 15 | 40 | 110 | 15 | 35 | 8 | 1.5 |
BSEU40-25 | 25 | 8×3.3 | 1440 | 450 | 118 | 60 | 55 | 15 | 40 | 110 | 15 | 35 | 8 | 1.5 |
BSEU40-30 | 30 | 8×3.3 | 1440 | 450 | 118 | 60 | 55 | 15 | 40 | 110 | 15 | 35 | 8 | 1.5 |
BSEU40-35 | 35 | 10×3.3 | 1440 | 450 | 118 | 60 | 55 | 15 | 40 | 110 | 15 | 35 | 8 | 1.5 |
BSEU40-40 | 40 | 12×3.3 | 1440 | 450 | 118 | 60 | 55 | 15 | 40 | 110 | 15 | 35 | 8 | 1.5 |
BSEU70-45 | 45 | 14×3.8 | 3140 | 350 | 165 | 90 | 59 | 20 | 80 | 140 | 18 | 35 | 10 | 1.5 |
BSEU70-50 | 50 | 14×3.8 | 3140 | 350 | 165 | 90 | 59 | 20 | 80 | 140 | 18 | 35 | 10 | 1.5 |
BSEU70-55 | 55 | 16×4.3 | 3140 | 350 | 165 | 90 | 59 | 20 | 80 | 140 | 18 | 35 | 10 | 2.0 |
B5EU70-60 | 60 | 18×4.4 | 3140 | 350 | 165 | 90 | 59 | 20 | 80 | 140 | 18 | 35 | 10 | 2.0 |
BSEU70-65 | 65 | 18×4.4 | 3140 | 350 | 165 | 90 | 59 | 20 | 80 | 140 | 18 | 35 | 10 | 2.0 |
BSEU70-70 | 70 | 20×4.9 | 3140 | 350 | 165 | 90 | 59 | 20 | 80 | 140 | 18 | 35 | 10 | 2.0 |
BSEU90-75 | 75 | 20×4.9 | 4700 | 250 | 190 | 120 | 63 | 20 | 80 | 165 | 20 | 40 | 15 | 2.0 |
BSEU90-80 | 80 | 22×5.4 | 4700 | 250 | 190 | 120 | 63 | 20 | 80 | 165 | 20 | 40 | 15 | 2.0 |
BSEU90-85 | 85 | 22×5.4 | 4700 | 250 | 190 | 120 | 63 | 20 | 80 | 165 | 20 | 40 | 15 | 2.0 |
BSEU90-90 | 90 | 25×5.4 | 4700 | 250 | 190 | 120 | 63 | 20 | 80 | 165 | 20 | 40 | 15 | 2.0 |
The primary function of a one-way backstop clutch is to allow overrunning in one direction while preventing it in
the other. This behavior is achieved through the design of the roller or needle bearings:
Overrunning Direction: In the direction in which the clutch is intended to transmit power, the roller or
needle bearings can roll freely between the inner and outer races. This allows the inner and outer races to rotate together with minimal friction.
Locking Direction: In the opposite direction, the roller or needle bearings become wedged or locked between the inner and outer races when subjected to torque. This prevents the inner race from rotating faster than the outer race, effectively blocking any reverse motion.
One-way backstop clutches are versatile devices used in a wide range of applications where unidirectional power transmission is essential. Here are some common applications:
One-way backstop clutches are used in conveyor systems to prevent backward motion when the conveyor needs to stop suddenly. This enhances safety and prevents product damage. It is widely used on conveyor system of Grain Silo Equipment.
One-way backstop clutches are employed in the freewheel mechanism. Backstop to Prevent Reversal of Inclined Conveyor and Vertical Bucket Elevators .
With the drive at one end of the drive pulley shaft, the backstop should be located at the opposite end, away from the speed reducer and coupling.
Various industrial equipment, such as packaging machines, printing presses, and textile machinery, use one-way backstop clutches to prevent reverse rotation and safeguard against unintended backdriving.
Proper operation and maintenance are crucial for ensuring the longevity and performance of one-way backstop clutches. Here are some operating instructions:
Ensure that the clutch is installed in the correct direction, allowing free rotation in the intended direction of power transmission.
Verify that the inner and outer races are properly aligned with the respective machine components.
Apply the recommended torque to secure the clutch in place, following the manufacturer's guidelines.
The Torque Arm cannot be tightly fixed, must leave 3-5mm space to make it function well

Use the recommended lubrication specified by the manufacturer. Insufficient or improper lubrication can lead to premature wear and failure.
Regularly check and maintain the lubrication to ensure that the clutch operates smoothly.
Periodically inspect the clutch for signs of wear, damage, or contamination.
Follow the manufacturer's recommended maintenance schedule to replace or repair worn or damaged components.
Avoid subjecting the clutch to torque loads beyond its specified capacity, as this can lead to damage or failure.
Ensure that the clutch is appropriately sized for the intended application to prevent overloading.
One-way backstop clutches are essential components in various mechanical systems where unidirectional power transmission is critical. They operate on the principle of allowing motion in one direction while preventing it in the other, making them invaluable in applications like conveyors, bicycles, ratchet mechanisms, and industrial equipment. Popular models from manufacturers offer different features to suit diverse needs. To ensure the optimal performance and longevity of these clutches, proper installation, lubrication, inspection, and maintenance are essential. By following operating instructions and best practices, users can maximize the reliability and efficiency of their one-way backstop clutches.
1. Are you Trading Company or Manufacturer of Backstop Clutch Bearing ?
SUMA is Manufacturer with one-stop service , Production history over 20 years, exporting experience up to 10 years .
2. Can i have Backstop Clutch Bearing Samples to check quality first ?
It is okay to get backstop clutch sample for quality check .
3. How can i choose the correct backstop clutch i need ?
Torque capacity , Rotation Speed , and Dimensions are necessary to choose the right model.
If you not so sure about it, pls share with us, our engineer will give you professional guidance .
4. What Material of the Backstop Clutch bearings you are supplied ?
Outer Race / Inner Race : 20Cr, Needle Roller: GCr15 ,
5. How soon you can make the shipment of backstop clutch ?
Usually all are in stock, can ship out within 5-7 days .
If big quantity, can ship out in 10-15 days .
Customized sizes may need 15-20 days , Depends on specific order.
6. Is there guarantee of items purchased ?
We produce 1 year warranty for all backstop clutch we sell.
BSEU series Cam Clutch was developed as European style Backstopping Cam Clutch which has easy usage.
It has Cam & Roller construction that the roller works as a bearing same as the small size BS series Cam Clutch.
The outer race has special shape which was combined the torque arm, so only stopping the rotation is required.
You can select the correct model from various bore size from 20 mm to 90 mm in each 5 mm.
Backstopping for the country elevator or the foods conveying conveyor which is used in the factory is the recommendation.
BS series Cam Clutch in the very dusty environment condition or the inclined conveyor and the bucket elevator which are used in outside location.
The fundamental working principle of a one-way backstop clutch involves several key components:
Inner Race: The inner race is a cylindrical or annular component that is securely attached to a shaft or rotating element.
Outer Race: The outer race is another cylindrical or annular component that remains stationary or is attached to a stationary part of the machine.
Roller or Sprag: Between the inner and outer races are a series of roller or sprags. These elements are critical to the clutch's operation.

型号 Type | 孔径 Bore Size | 扭矩 容量Torque (N.m) | 内圈最大 空转速度 Max Overrunning (r/min) | D | D2 | L1 | L | B | F | b | N | E | J | |
Dia | 键槽Keyway | |||||||||||||
BSEU25-20 | 20 | 216 | 500 | 83 | 42 | 35 | 12 | 40 | 90 | 15 | 35 | 5 | 1.0 | |
BSEU25-25 | 25 | 8×3.3 | 216 | 500 | 83 | 42 | 35 | 12 | 40 | 90 | 15 | 35 | 5 | 1.0 |
BSEU40-20 | 20 | 6×2.8 | 1440 | 450 | 118 | 60 | 55 | 15 | 40 | 110 | 15 | 35 | 8 | 1.5 |
BSEU40-25 | 25 | 8×3.3 | 1440 | 450 | 118 | 60 | 55 | 15 | 40 | 110 | 15 | 35 | 8 | 1.5 |
BSEU40-30 | 30 | 8×3.3 | 1440 | 450 | 118 | 60 | 55 | 15 | 40 | 110 | 15 | 35 | 8 | 1.5 |
BSEU40-35 | 35 | 10×3.3 | 1440 | 450 | 118 | 60 | 55 | 15 | 40 | 110 | 15 | 35 | 8 | 1.5 |
BSEU40-40 | 40 | 12×3.3 | 1440 | 450 | 118 | 60 | 55 | 15 | 40 | 110 | 15 | 35 | 8 | 1.5 |
BSEU70-45 | 45 | 14×3.8 | 3140 | 350 | 165 | 90 | 59 | 20 | 80 | 140 | 18 | 35 | 10 | 1.5 |
BSEU70-50 | 50 | 14×3.8 | 3140 | 350 | 165 | 90 | 59 | 20 | 80 | 140 | 18 | 35 | 10 | 1.5 |
BSEU70-55 | 55 | 16×4.3 | 3140 | 350 | 165 | 90 | 59 | 20 | 80 | 140 | 18 | 35 | 10 | 2.0 |
B5EU70-60 | 60 | 18×4.4 | 3140 | 350 | 165 | 90 | 59 | 20 | 80 | 140 | 18 | 35 | 10 | 2.0 |
BSEU70-65 | 65 | 18×4.4 | 3140 | 350 | 165 | 90 | 59 | 20 | 80 | 140 | 18 | 35 | 10 | 2.0 |
BSEU70-70 | 70 | 20×4.9 | 3140 | 350 | 165 | 90 | 59 | 20 | 80 | 140 | 18 | 35 | 10 | 2.0 |
BSEU90-75 | 75 | 20×4.9 | 4700 | 250 | 190 | 120 | 63 | 20 | 80 | 165 | 20 | 40 | 15 | 2.0 |
BSEU90-80 | 80 | 22×5.4 | 4700 | 250 | 190 | 120 | 63 | 20 | 80 | 165 | 20 | 40 | 15 | 2.0 |
BSEU90-85 | 85 | 22×5.4 | 4700 | 250 | 190 | 120 | 63 | 20 | 80 | 165 | 20 | 40 | 15 | 2.0 |
BSEU90-90 | 90 | 25×5.4 | 4700 | 250 | 190 | 120 | 63 | 20 | 80 | 165 | 20 | 40 | 15 | 2.0 |
The primary function of a one-way backstop clutch is to allow overrunning in one direction while preventing it in
the other. This behavior is achieved through the design of the roller or needle bearings:
Overrunning Direction: In the direction in which the clutch is intended to transmit power, the roller or
needle bearings can roll freely between the inner and outer races. This allows the inner and outer races to rotate together with minimal friction.
Locking Direction: In the opposite direction, the roller or needle bearings become wedged or locked between the inner and outer races when subjected to torque. This prevents the inner race from rotating faster than the outer race, effectively blocking any reverse motion.
One-way backstop clutches are versatile devices used in a wide range of applications where unidirectional power transmission is essential. Here are some common applications:
One-way backstop clutches are used in conveyor systems to prevent backward motion when the conveyor needs to stop suddenly. This enhances safety and prevents product damage. It is widely used on conveyor system of Grain Silo Equipment.
One-way backstop clutches are employed in the freewheel mechanism. Backstop to Prevent Reversal of Inclined Conveyor and Vertical Bucket Elevators .
With the drive at one end of the drive pulley shaft, the backstop should be located at the opposite end, away from the speed reducer and coupling.
Various industrial equipment, such as packaging machines, printing presses, and textile machinery, use one-way backstop clutches to prevent reverse rotation and safeguard against unintended backdriving.
Proper operation and maintenance are crucial for ensuring the longevity and performance of one-way backstop clutches. Here are some operating instructions:
Ensure that the clutch is installed in the correct direction, allowing free rotation in the intended direction of power transmission.
Verify that the inner and outer races are properly aligned with the respective machine components.
Apply the recommended torque to secure the clutch in place, following the manufacturer's guidelines.
The Torque Arm cannot be tightly fixed, must leave 3-5mm space to make it function well

Use the recommended lubrication specified by the manufacturer. Insufficient or improper lubrication can lead to premature wear and failure.
Regularly check and maintain the lubrication to ensure that the clutch operates smoothly.
Periodically inspect the clutch for signs of wear, damage, or contamination.
Follow the manufacturer's recommended maintenance schedule to replace or repair worn or damaged components.
Avoid subjecting the clutch to torque loads beyond its specified capacity, as this can lead to damage or failure.
Ensure that the clutch is appropriately sized for the intended application to prevent overloading.
One-way backstop clutches are essential components in various mechanical systems where unidirectional power transmission is critical. They operate on the principle of allowing motion in one direction while preventing it in the other, making them invaluable in applications like conveyors, bicycles, ratchet mechanisms, and industrial equipment. Popular models from manufacturers offer different features to suit diverse needs. To ensure the optimal performance and longevity of these clutches, proper installation, lubrication, inspection, and maintenance are essential. By following operating instructions and best practices, users can maximize the reliability and efficiency of their one-way backstop clutches.
1. Are you Trading Company or Manufacturer of Backstop Clutch Bearing ?
SUMA is Manufacturer with one-stop service , Production history over 20 years, exporting experience up to 10 years .
2. Can i have Backstop Clutch Bearing Samples to check quality first ?
It is okay to get backstop clutch sample for quality check .
3. How can i choose the correct backstop clutch i need ?
Torque capacity , Rotation Speed , and Dimensions are necessary to choose the right model.
If you not so sure about it, pls share with us, our engineer will give you professional guidance .
4. What Material of the Backstop Clutch bearings you are supplied ?
Outer Race / Inner Race : 20Cr, Needle Roller: GCr15 ,
5. How soon you can make the shipment of backstop clutch ?
Usually all are in stock, can ship out within 5-7 days .
If big quantity, can ship out in 10-15 days .
Customized sizes may need 15-20 days , Depends on specific order.
6. Is there guarantee of items purchased ?
We produce 1 year warranty for all backstop clutch we sell.