Features:
1. Prelubricated with special grease
2. No lubrication maintenance required.
3. Easy installation and handling
Types FSO, FSO-GR and HPI 300 to 700 are sprag type freewheels self-contained, sealed and bearing supported, using two ball bearings.
Units are delivered oil or grease lubricated according to the type. It is a Formsprag USA design with a full sprag complement that gives a very high torque for a given diameter. Any overload is resisted by a sprag to sprag abutment, avoiding a sprag tilt over.
Types FSO and HPI are oil lubricated and use standard shaft lip seals. Type FSO-GR is grease lubricated and can be equipped with contact free labyrinth seals.

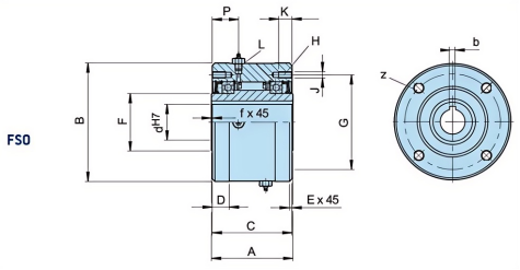
型号 Type | 尺寸 Size | 扭矩 Torque | 超越转速 Overrunning speeds | 规格 Dimensions | ||||||||
FSO | FSO-GR | dH7-b×h | d4) | A | B | C | E | F | G | |||
TKN1) [Nm] | nmax2) [min-1] | nmax3) [min-1] | [mm] | min-max [mm] | [mm] | -0.05 [mm] | [mm] | [mm] | [mm] | [mm] | ||
FSO FSO-GR | 300 | 379 | 3000/900 | 3600/900 | 15-5x5 | 12-19 | 63.5 | 76.2 | 60.45 | 1.6 | 28.58 | 66.67 |
400 | 407 | 2800/850 | 3600/850 | 18-6x6 | 12-22 | 69.85 | 88.9 | 68.07 | 1.6 | 30 | 73 | |
500 | 1621 | 2500/800 | 3000/800 | 30-8x7 | 19-33 | 88.9 | 107.95 | 85.73 | 1.6 | 45 | 92 | |
40-12x8 | ||||||||||||
600 | 3105 | 2200/750 | 2400/750 | 45-14x9 | 24-57 | 95.25 | 136.525 | 92.2 | 1.6 | 63.5 | 120.6 | |
50-14x6 | ||||||||||||
50-14x9 | ||||||||||||
700 | 6900 | 1600/450 | 2000/450 | 60-18x11 | 48-82 | 127 | 180.975 | 123.85 | 1.6 | 90 | 158.75 | |
65-18x11 | ||||||||||||
70-20x12 | 101.6 | |||||||||||
型号 Type | 尺寸Size | 规格 Dimensions | 润滑油 Lubricant | 重量 Weight | 阻力矩 Drag Torque | ||||||
z | J | K | L | f | FSO | FSO-GR | HPI | TR | |||
[mm] | [mm] | [ml] | [ml] | [ml] | [kg] | [Ncm] | |||||
FSO | 300 | 4 | M8 | 13 | M6 | 0.8 | 7 | 10 | 14 | 1.6 | 18 |
400 | 4 | M8 | 13 | M6 | 0.8 | 10 | 20 | 20 | 2.7 | 27 | |
500 | 4 | M8 | 16 | M6 | 1.5 | 22 | 35 | 35 | 4.8 | 31 | |
600 | 6 | M8 | 16 | M6 | 1.6 | 52 | 84 | 84 | 8.6 | 62 | |
700 | 8* | M10* | 20 | M6 | 1.6 | 168 | 280 | 280 | 19 | 156 | |

型号 Type | 尺寸 Size | 扭矩 Torque | 超越转速 Overrunning speeds | 规格尺寸 Dimensions | |||||||||
FSO | FS | dH7-b×h | d4) | A | B5) | C | D | E | F | G | |||
TKN1) [Nm] | nmax2) [min-1] | nmax3) [min-1] | [mm] | min-max [mm] | [mm] | -0.05 [mm] | [mm] | [mm] | [mm] | [mm] | [mm] | ||
FSO FS | 750 | 9660 | 1800/650 | 1000/650 | 75-20x12 | 57-87 | 152.4 | 222.25 | 149.2 | 31.7 | 1.6 | 107.7 | 177.8 |
80-22x14 | |||||||||||||
85-22x14 | |||||||||||||
80-22x14 | |||||||||||||
800 | 17940 | 1500/525 | 850/525 | 90-25x14 | 66-112 | 152.4 | 254 | 149.2 | 31.7 | 1.6 | 139.7 | 227 | |
100-28x16 | |||||||||||||
110-28x16 | |||||||||||||
100-28x16 | |||||||||||||
900 | 24408 | 1350/500 | 700/500 | 110-28x16 | 92-138 | 161.9 | 304.80 | 158.7 | 34.9 | 1.6 | 161.9 | 247.7 | |
120-32x18 | |||||||||||||
30-32x18 | |||||||||||||
130-32x18 | |||||||||||||
1027 | 36612 | 700/375 | 500/375 | 150-36x20 | 125-177 | 168.3 | 381 | 165.1 | 34.9 | 3.2 | 228.6 | 298.5 | |
175-45x25 | |||||||||||||
Type | Size | Dimensions | 润滑油 Lubricant | 重量 Weight | 阻力矩 Drag Torque | |||||||
z | J | K | L | P | f | FSO | HPI | FS | TR | |||
[mm] | [inch] | [mm] | [mm] | [ml] | [ml] | [ml] | [kg] | [Ncm] | ||||
FSO FS | 750 | 8* | M12* | 25 | 1/2-20 | 49.2 | 1.6 | 222 | 384 | 207 | 38 | 5.08 |
800 | 8 | M12 | 25 | 1/2-20 | 49.2 | 1.6 | 222 | 444 | 251 | 46 | 7.12 | |
900 | 10 | M16 | 32 | 1/2-20 | 54.0 | 1.6 | 532 | 473 | 340 | 71 | 8.47 | |
1027 | 12 | M16 | 32 | 1/2-20 | 54.0 | 3.2 | 651 | 946 | 473 | 113 | 13.56 | |
The versatility of FSO Overrunning Clutches finds expression in a wide array of applications across diverse industries. From automotive systems to industrial machinery, the clutch's unidirectional functionality makes it an indispensable part of numerous setups.
To affix pulleys, gears, or sprockets to the clutches, place hubs (with an f7 tolerance per ISO R773) along the inner surface of the outer race and secure the bolts (high tension) into the threaded holes on the clutch end.
Installing the FSO Overrunning Clutch correctly is imperative for optimal performance and longevity. The installation process involves several key steps, each requiring careful attention to detail.
Installation and Usage
1. FSO Series Cam Clutch is used for inner race overrunning applications. FSO Series Cam Clutch is used for indexing applications.
2. For attaching a pulley, a gear, or sprocket to the clutch, insert the clutch into the hub of the device, and screw the bolts (high tension)
into the tapped holes on the clutch end. The tolerance bore of the hub should be H6 or H7 of JIS standard.
3. Recommended shaft tolerances are as follows:
4. The key should be in accordance with JIS B1301-1959. However, for M750 and above models, a key is attached.
5. Use only a parallel key to secure the clutch. Never use a tapered key.
6. If the clutch receives shock loads or is designed for use at full torque capacity, it is better to use a hardened key and shaft.
7. Allow for a clearance between the top of the clutch keyway and the top of the key for pressure ventilation of the clutch in the case
of FSO Series. A pressure ventilation hole is provided on the keyway of the clutch inner race.
8. When mounting the clutch on a shaft, apply pressure to the inner race, but never to the outer race .
9. Thrust load should be taken up by other devices, not by the Cam Clutch.
10. When using FSO Series at medium and high speeds, pay attention to heating. Longevity is shortened if the temperature of Cam Clutch
outer race rises to over 70°C. In case of continuous over running Please contact SUMA. In this case, use a different model or provide an
oil bath or forced lubrication.
11. Oil is not sealed in at the time of shipment. Supply an appropriate amount of oil before use.
12. When placing an order for FSO Series Cam Clutch model FSO and above, please inform SUMA of the overrunning speed you use.
13. For vertical mounting, please consult SUMA.

Ensuring secure fastening of the FSO Overrunning Clutch to the shaft or mounting surface is vital. Incorrect or loose fastening can lead to misalignment, reducing the clutch's effectiveness and potentially causing damage to both the clutch and the machinery.
Utilize solely a parallel key for securing the clutch to the shaft, avoiding the use of a tapered key.
When installing the clutch onto the shaft, exert pressure on the inner race exclusively, avoiding any pressure on the outer race. Refer to the illustration on the right for guidance.
For vertical installations, kindly seek guidance from SUMA TEAM .
Select a key that adheres to the specifications outlined in ISO R773 (DIN 6885.1). 
Regular maintenance is paramount to prolonging the life of the FSO Overrunning Clutch and maintaining optimal performance. Implementing a proactive maintenance schedule involves several key practices.
Prelubricated with special grease, No lubrication maintenance required.
The operating environment can significantly impact the performance of the FSO Overrunning Clutch.
Factors such as temperature, humidity, and exposure to contaminants can influence the clutch's effectiveness. Implementing measures to mitigate these environmental factors, such as installing protective covers or seals, contributes to the longevity of the clutch.
The permissible temperature range is between -5°C and 40°C.
1. Are you Trading Company or Manufacturer ?
SUMA is Manufacturer with one-stop service , Production history over 20 years, exporting experience up to 10 years .
2. Can i have Samples to check quality first ?
It is okay to get FSO overrunning clutch sample for quality check .
3. How can i choose the correct FSO overrunning clutch i need ?
Torque capacity , Rotation Speed , and Dimensions are necessary to choose the right model.
If you not so sure about it, pls share with us, our engineer will give you professional guidance .
4. What Material of the bearings you are supplied ?
Standard Material : GCr15 Bearing Steel
5. How soon you can make the shipment ?
Usually all are in stock, can ship out within 2-3 days .
If big quantity, can ship out in 10 days .
Customized sizes may need 15-20 days , Depends on specific order.
6. Is there guarantee of items purchased ?
We produce 1 year warranty for all backstop clutch we sell.
Features:
1. Prelubricated with special grease
2. No lubrication maintenance required.
3. Easy installation and handling
Types FSO, FSO-GR and HPI 300 to 700 are sprag type freewheels self-contained, sealed and bearing supported, using two ball bearings.
Units are delivered oil or grease lubricated according to the type. It is a Formsprag USA design with a full sprag complement that gives a very high torque for a given diameter. Any overload is resisted by a sprag to sprag abutment, avoiding a sprag tilt over.
Types FSO and HPI are oil lubricated and use standard shaft lip seals. Type FSO-GR is grease lubricated and can be equipped with contact free labyrinth seals.

型号 Type | 尺寸 Size | 扭矩 Torque | 超越转速 Overrunning speeds | 规格 Dimensions | ||||||||
FSO | FSO-GR | dH7-b×h | d4) | A | B | C | E | F | G | |||
TKN1) [Nm] | nmax2) [min-1] | nmax3) [min-1] | [mm] | min-max [mm] | [mm] | -0.05 [mm] | [mm] | [mm] | [mm] | [mm] | ||
FSO FSO-GR | 300 | 379 | 3000/900 | 3600/900 | 15-5x5 | 12-19 | 63.5 | 76.2 | 60.45 | 1.6 | 28.58 | 66.67 |
400 | 407 | 2800/850 | 3600/850 | 18-6x6 | 12-22 | 69.85 | 88.9 | 68.07 | 1.6 | 30 | 73 | |
500 | 1621 | 2500/800 | 3000/800 | 30-8x7 | 19-33 | 88.9 | 107.95 | 85.73 | 1.6 | 45 | 92 | |
40-12x8 | ||||||||||||
600 | 3105 | 2200/750 | 2400/750 | 45-14x9 | 24-57 | 95.25 | 136.525 | 92.2 | 1.6 | 63.5 | 120.6 | |
50-14x6 | ||||||||||||
50-14x9 | ||||||||||||
700 | 6900 | 1600/450 | 2000/450 | 60-18x11 | 48-82 | 127 | 180.975 | 123.85 | 1.6 | 90 | 158.75 | |
65-18x11 | ||||||||||||
70-20x12 | 101.6 | |||||||||||
型号 Type | 尺寸Size | 规格 Dimensions | 润滑油 Lubricant | 重量 Weight | 阻力矩 Drag Torque | ||||||
z | J | K | L | f | FSO | FSO-GR | HPI | TR | |||
[mm] | [mm] | [ml] | [ml] | [ml] | [kg] | [Ncm] | |||||
FSO | 300 | 4 | M8 | 13 | M6 | 0.8 | 7 | 10 | 14 | 1.6 | 18 |
400 | 4 | M8 | 13 | M6 | 0.8 | 10 | 20 | 20 | 2.7 | 27 | |
500 | 4 | M8 | 16 | M6 | 1.5 | 22 | 35 | 35 | 4.8 | 31 | |
600 | 6 | M8 | 16 | M6 | 1.6 | 52 | 84 | 84 | 8.6 | 62 | |
700 | 8* | M10* | 20 | M6 | 1.6 | 168 | 280 | 280 | 19 | 156 | |

型号 Type | 尺寸 Size | 扭矩 Torque | 超越转速 Overrunning speeds | 规格尺寸 Dimensions | |||||||||
FSO | FS | dH7-b×h | d4) | A | B5) | C | D | E | F | G | |||
TKN1) [Nm] | nmax2) [min-1] | nmax3) [min-1] | [mm] | min-max [mm] | [mm] | -0.05 [mm] | [mm] | [mm] | [mm] | [mm] | [mm] | ||
FSO FS | 750 | 9660 | 1800/650 | 1000/650 | 75-20x12 | 57-87 | 152.4 | 222.25 | 149.2 | 31.7 | 1.6 | 107.7 | 177.8 |
80-22x14 | |||||||||||||
85-22x14 | |||||||||||||
80-22x14 | |||||||||||||
800 | 17940 | 1500/525 | 850/525 | 90-25x14 | 66-112 | 152.4 | 254 | 149.2 | 31.7 | 1.6 | 139.7 | 227 | |
100-28x16 | |||||||||||||
110-28x16 | |||||||||||||
100-28x16 | |||||||||||||
900 | 24408 | 1350/500 | 700/500 | 110-28x16 | 92-138 | 161.9 | 304.80 | 158.7 | 34.9 | 1.6 | 161.9 | 247.7 | |
120-32x18 | |||||||||||||
30-32x18 | |||||||||||||
130-32x18 | |||||||||||||
1027 | 36612 | 700/375 | 500/375 | 150-36x20 | 125-177 | 168.3 | 381 | 165.1 | 34.9 | 3.2 | 228.6 | 298.5 | |
175-45x25 | |||||||||||||
Type | Size | Dimensions | 润滑油 Lubricant | 重量 Weight | 阻力矩 Drag Torque | |||||||
z | J | K | L | P | f | FSO | HPI | FS | TR | |||
[mm] | [inch] | [mm] | [mm] | [ml] | [ml] | [ml] | [kg] | [Ncm] | ||||
FSO FS | 750 | 8* | M12* | 25 | 1/2-20 | 49.2 | 1.6 | 222 | 384 | 207 | 38 | 5.08 |
800 | 8 | M12 | 25 | 1/2-20 | 49.2 | 1.6 | 222 | 444 | 251 | 46 | 7.12 | |
900 | 10 | M16 | 32 | 1/2-20 | 54.0 | 1.6 | 532 | 473 | 340 | 71 | 8.47 | |
1027 | 12 | M16 | 32 | 1/2-20 | 54.0 | 3.2 | 651 | 946 | 473 | 113 | 13.56 | |
The versatility of FSO Overrunning Clutches finds expression in a wide array of applications across diverse industries. From automotive systems to industrial machinery, the clutch's unidirectional functionality makes it an indispensable part of numerous setups.
To affix pulleys, gears, or sprockets to the clutches, place hubs (with an f7 tolerance per ISO R773) along the inner surface of the outer race and secure the bolts (high tension) into the threaded holes on the clutch end.
Installing the FSO Overrunning Clutch correctly is imperative for optimal performance and longevity. The installation process involves several key steps, each requiring careful attention to detail.
Installation and Usage
1. FSO Series Cam Clutch is used for inner race overrunning applications. FSO Series Cam Clutch is used for indexing applications.
2. For attaching a pulley, a gear, or sprocket to the clutch, insert the clutch into the hub of the device, and screw the bolts (high tension)
into the tapped holes on the clutch end. The tolerance bore of the hub should be H6 or H7 of JIS standard.
3. Recommended shaft tolerances are as follows:
4. The key should be in accordance with JIS B1301-1959. However, for M750 and above models, a key is attached.
5. Use only a parallel key to secure the clutch. Never use a tapered key.
6. If the clutch receives shock loads or is designed for use at full torque capacity, it is better to use a hardened key and shaft.
7. Allow for a clearance between the top of the clutch keyway and the top of the key for pressure ventilation of the clutch in the case
of FSO Series. A pressure ventilation hole is provided on the keyway of the clutch inner race.
8. When mounting the clutch on a shaft, apply pressure to the inner race, but never to the outer race .
9. Thrust load should be taken up by other devices, not by the Cam Clutch.
10. When using FSO Series at medium and high speeds, pay attention to heating. Longevity is shortened if the temperature of Cam Clutch
outer race rises to over 70°C. In case of continuous over running Please contact SUMA. In this case, use a different model or provide an
oil bath or forced lubrication.
11. Oil is not sealed in at the time of shipment. Supply an appropriate amount of oil before use.
12. When placing an order for FSO Series Cam Clutch model FSO and above, please inform SUMA of the overrunning speed you use.
13. For vertical mounting, please consult SUMA.

Ensuring secure fastening of the FSO Overrunning Clutch to the shaft or mounting surface is vital. Incorrect or loose fastening can lead to misalignment, reducing the clutch's effectiveness and potentially causing damage to both the clutch and the machinery.
Utilize solely a parallel key for securing the clutch to the shaft, avoiding the use of a tapered key.
When installing the clutch onto the shaft, exert pressure on the inner race exclusively, avoiding any pressure on the outer race. Refer to the illustration on the right for guidance.
For vertical installations, kindly seek guidance from SUMA TEAM .
Select a key that adheres to the specifications outlined in ISO R773 (DIN 6885.1). 
Regular maintenance is paramount to prolonging the life of the FSO Overrunning Clutch and maintaining optimal performance. Implementing a proactive maintenance schedule involves several key practices.
Prelubricated with special grease, No lubrication maintenance required.
The operating environment can significantly impact the performance of the FSO Overrunning Clutch.
Factors such as temperature, humidity, and exposure to contaminants can influence the clutch's effectiveness. Implementing measures to mitigate these environmental factors, such as installing protective covers or seals, contributes to the longevity of the clutch.
The permissible temperature range is between -5°C and 40°C.
1. Are you Trading Company or Manufacturer ?
SUMA is Manufacturer with one-stop service , Production history over 20 years, exporting experience up to 10 years .
2. Can i have Samples to check quality first ?
It is okay to get FSO overrunning clutch sample for quality check .
3. How can i choose the correct FSO overrunning clutch i need ?
Torque capacity , Rotation Speed , and Dimensions are necessary to choose the right model.
If you not so sure about it, pls share with us, our engineer will give you professional guidance .
4. What Material of the bearings you are supplied ?
Standard Material : GCr15 Bearing Steel
5. How soon you can make the shipment ?
Usually all are in stock, can ship out within 2-3 days .
If big quantity, can ship out in 10 days .
Customized sizes may need 15-20 days , Depends on specific order.
6. Is there guarantee of items purchased ?
We produce 1 year warranty for all backstop clutch we sell.